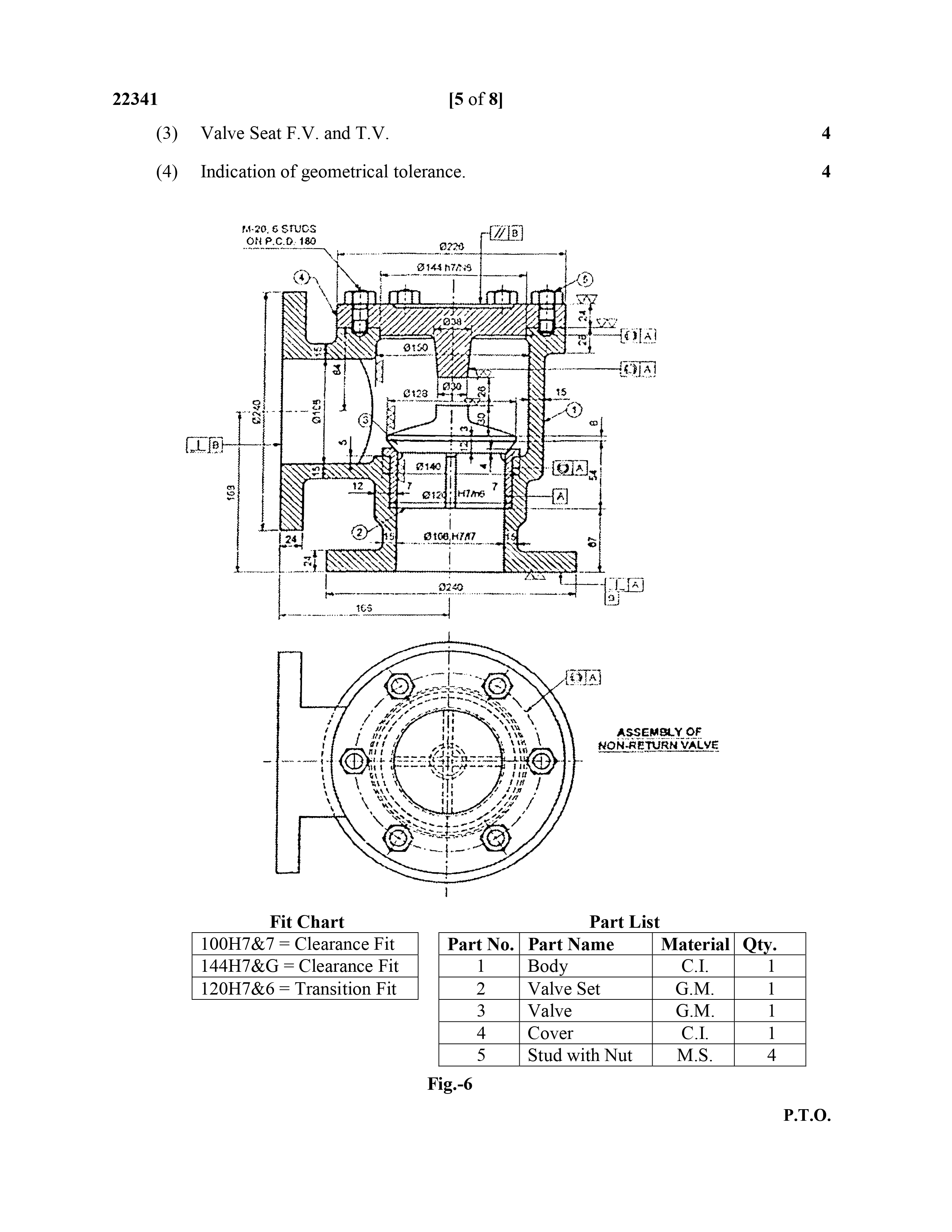
In the given page below old question paper/Previous years question paper of subject MECHANICAL WORKING DRAWING is available (Summer-2022)
In the given page below old question paper/Previous years question paper of subject MECHANICAL WORKING DRAWING is available (Summer-2022)
0 Comments